Boiler house

Level controls

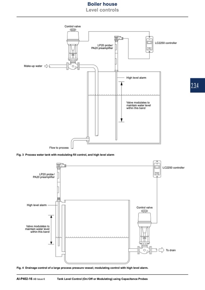
Control valve

LP20 probe/

PA20 preamplifier

LC2250

AL

OK

LC2250 controller

Make-up water

High level alarm

Valve modulates to

maintain water level

within this band

Flow to process

Fig. 3 Process water tank with modulating fill control, and high level alarm

LP20 probe/

PA20 preamplifier

High level alarm

Valve modulates to

maintain water level

within this band

LC2250

AL

OK

LC2250 controller

Control valve

To drain

Fig. 4 Drainage control of a large process pressure vessel; modulating control with high level alarm.

AI-P402-16 AB Issue 6

Tank Level Control (On / Off or Modulating) using Capacitance Probes

2.3.4