Boiler house

TDS blowdown controls

2.4.35

Option 24 Vac / dc

PA / PE

24 Vac / dc

Safety information, installation and maintenance

Warning: This document does not contain sufficient information to install the system safely. The system operates at a potentially

fatal mains voltage. Before attempting to install the system read the Instruction Manual supplied with the equipment.

PA / PE

115 / 230 Vac

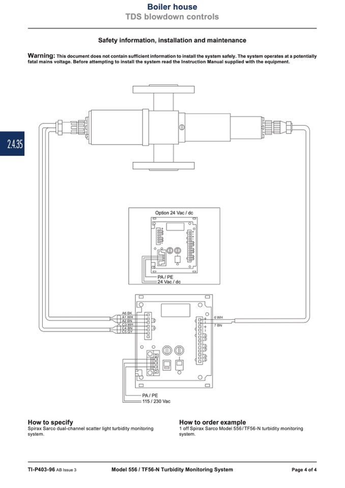
How to specify

How to order example

1 off Spirax Sarco Model 556/TF56-N turbidity monitoring

system.

Spirax Sarco dual-channel scatter light turbidity monitoring

system.

TI-P403-96 AB Issue 3

Model 556 / TF56-N Turbidity Monitoring System

Page 4 of 4