Boiler house

TDS blowdown controls

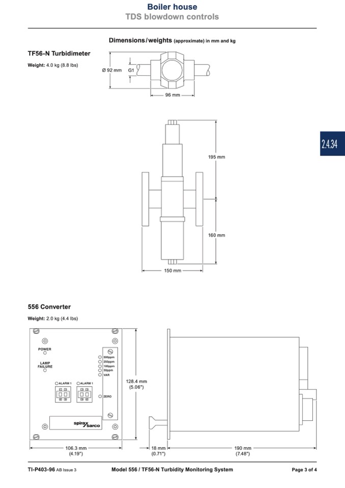
TF56-N Turbidimeter

Weight: 4.0 kg (8.8 lbs)

Ø 92 mm G1

Dimensions/weights (approximate) in mm and kg

96 mm

195 mm

mm

160

150 mm

556 Converter

Weight: 2.0 kg (4.4 lbs)

128.4 mm

(5.06")

106.3 mm

(4.19")

18 mm

(0.71")

190 mm

(7.48")

TI-P403-96 AB Issue 3

Model 556 / TF56-N Turbidity Monitoring System

Page 3 of 4

2.4.34