272 www.carincigroup.it

Schema d’installazione tipo Combi / Wood

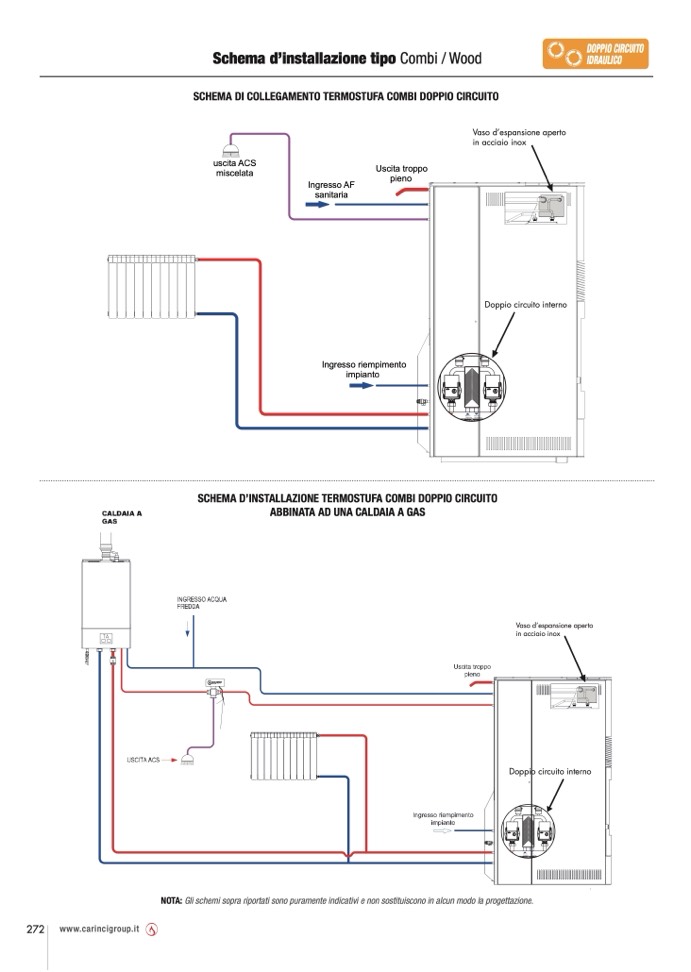
SCHEMA DI COLLEGAMENTO TERMOSTUFA COMBI DOPPIO CIRCUITO

DOPPIO CIRCUITO

IDRAULICO

uscita ACS

miscelata

Uscita troppo

pieno

Ingresso AF

sanitaria

Ingresso riempimento

impianto

SCHEMA D’INSTALLAZIONE TERMOSTUFA COMBI DOPPIO CIRCUITO

ABBINATA AD UNA CALDAIA A GAS

NOTA: Gli schemi sopra riportati sono puramente indicativi e non sostituiscono in alcun modo la progettazione.

Vaso d’espansione aperto

in acciaio inox

Doppio circuito interno

Vaso d’espansione aperto

in acciaio inox

Doppio circuito interno