Sistema ibrido ad incasso

HYBRID BOX

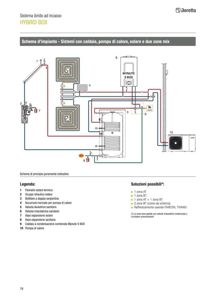
Schema d’impianto - Sistemi con caldaia, pompa di calore, solare e due zone mix

9

MYNUTE

X BOX

A

T

AB

B

D

3

5

1

T

2

7

4

Schema di principio puramente indicativo

Legenda:

Soluzioni possibili*:

1 Pannello solare termico

2 Gruppo idraulico solare

3 Bollitore a doppia serpentina

4 Accumulo inerziale per pompa di calore

5 Valvola deviatrice sanitario

6 Valvola miscelatrice sanitario

7 Vaso espansione solare

8 Vaso espansione sanitario

9 Caldaia a condensazione combinata Mynute X BOX

10 Pompa di calore

■ 1 zona AT

■ 1 zona BT

■ 1 zona AT + 1 zona BT

■ 2 zone BT (come da schema)

■ Raffrescamento usando FANCOIL TIVANO

(*) Le zone sono gestite con valvole miscelatrici motorizzate e

circolatori automodulanti

76

T

T

AB

B

D

A

6

AFS

8

10