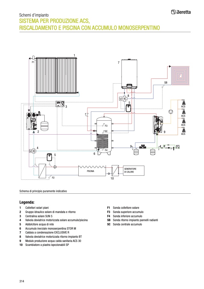
Schemi d’impianto

SISTEMA PER PRODUZIONE ACS,

RISCALDAMENTO E PISCINA CON ACCUMULO MONOSERPENTINO

1

F1

7

8

5

4

5

F2

F4

6

Schema di principio puramente indicativo

Legenda:

1 Collettori solari piani

2 Gruppo idraulico solare di mandata e ritorno

3 Centralina solare SUN 5

4 Valvola deviatrice motorizzata solare accumulo/piscina

5 Addolcitore acqua di rete

6 Accumulo inerziale monoserpentina STOR M

7 Caldaia a condensazione EXCLUSIVE R

8 Valvola deviatrice motorizzata ritorno impianto BT

9 Modulo produzione acqua calda sanitaria ACS 30

10 Scambiatore a piastra ispezionabili SP

F1 Sonda collettore solare

F3 Sonda superiore accumulo

F4 Sonda inferiore accumulo

SB Sonda ritorno impianto pannelli radianti

SC Sonda centrale accumulo

314

3

ACS

ACS

ACS

ACS

AFS

F3

2

SC

9

PISCINA

GENERATORE

DI CALORE

10

SB