Schemi d’impianto

SISTEMA CON TOWER GREEN HE

2

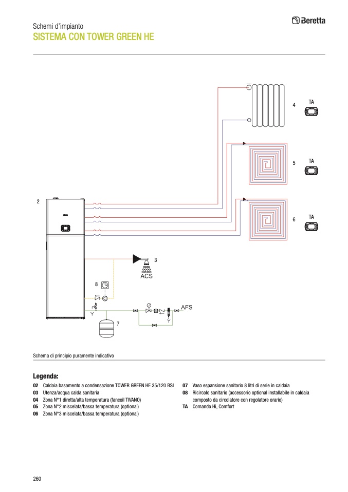
Schema di principio puramente indicativo

Legenda:

8

02 Caldaia basamento a condensazione TOWER GREEN HE 35/120 BSI

03 Utenza/acqua calda sanitaria

04 Zona N°1 diretta/alta temperatura (fancoil TIVANO)

05 Zona N°2 miscelata/bassa temperatura (optional)

06 Zona N°3 miscelata/bassa temperatura (optional)

07 Vaso espansione sanitario 8 litri di serie in caldaia

08 Ricircolo sanitario (accessorio optional installabile in caldaia

composto da circolatore con regolatore orario)

TA Comando Hi, Comfort

260

7

3

4

TA

TA

TA

5

6