Pompe di calore

TOWER GREEN FE - POMPE DI CALORE SPLIT A BASAMENTO

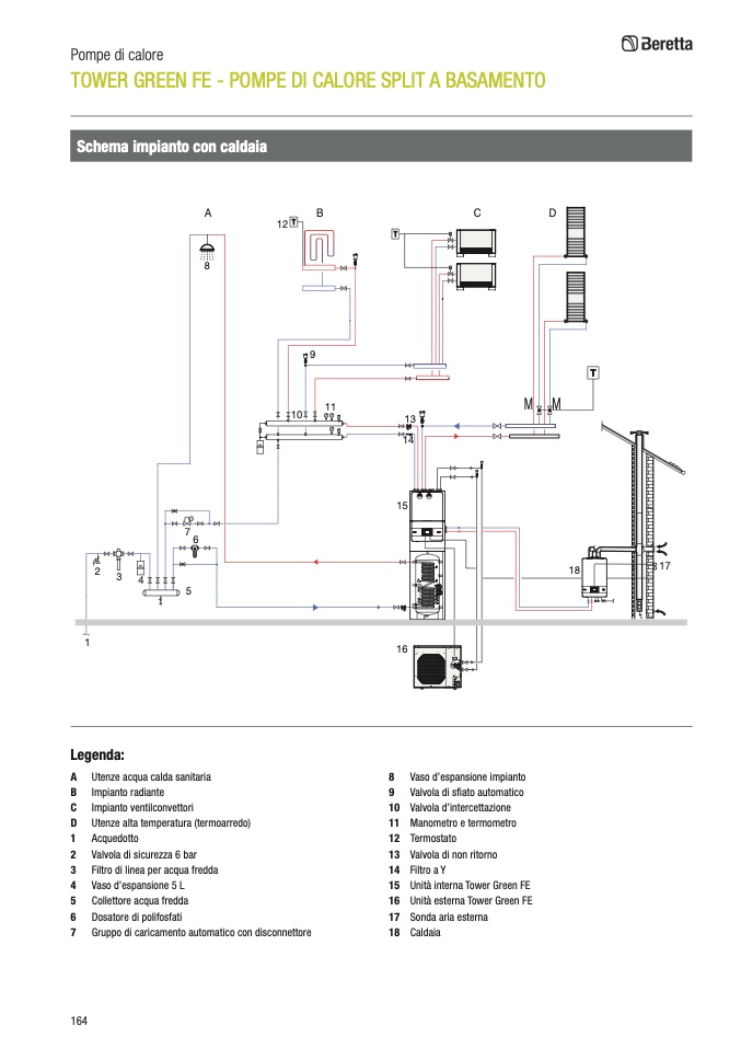
Schema impianto con caldaia

A

B

C

D

12

8

9

10

11

M

M

13

14

15

7

6

2

3

4

18

5

17

1

Legenda:

A Utenze acqua calda sanitaria

B Impianto radiante

C Impianto ventilconvettori

D Utenze alta temperatura (termoarredo)

1 Acquedotto

2 Valvola di sicurezza 6 bar

3 Filtro di linea per acqua fredda

4 Vaso d’espansione 5 L

5 Collettore acqua fredda

6 Dosatore di polifosfati

7 Gruppo di caricamento automatico con disconnettore

16

8 Vaso d’espansione impianto

9 Valvola di sfiato automatico

10 Valvola d’intercettazione

11 Manometro e termometro

12 Termostato

13 Valvola di non ritorno

14 Filtro a Y

15 Unità interna Tower Green FE

16 Unità esterna Tower Green FE

17 Sonda aria esterna

18 Caldaia

164

B