HUB RADIATOR POWER UNIT

Sistema brevettato ad alta efficienza in pompa di calore a scambio diretto refrigerante/acqua

per produrre riscaldamento/condizionamento ed ACS o per ibridizzare le caldaie e le centrali termiche esistenti

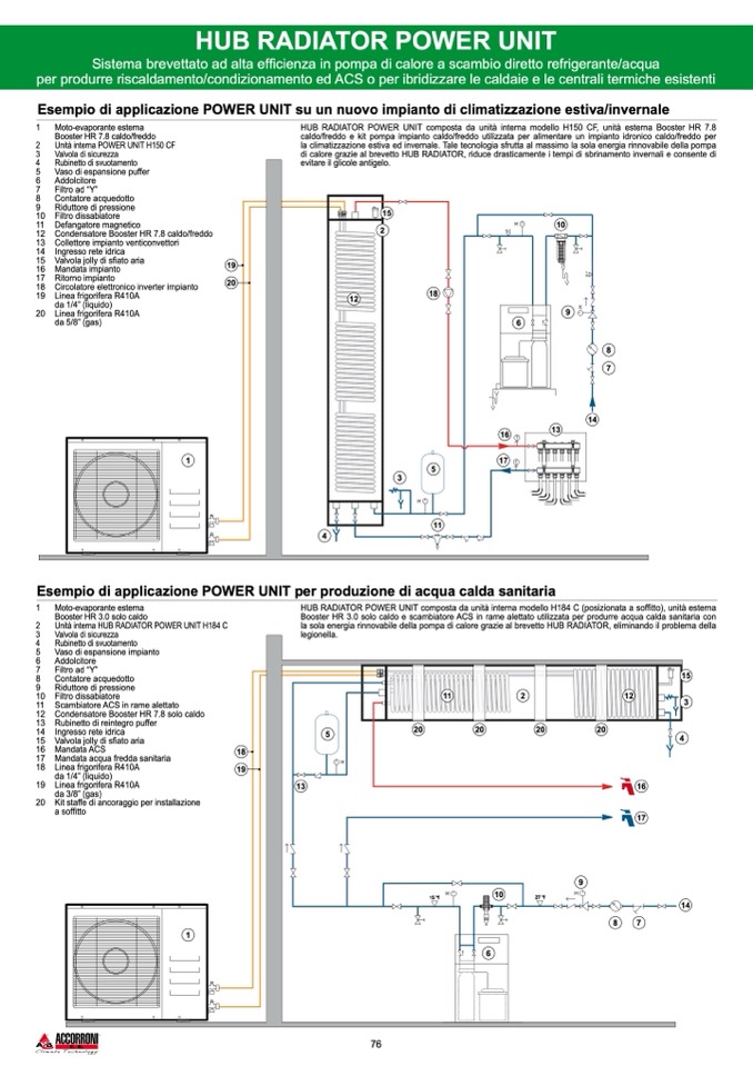
Esempio di applicazione POWER UNIT su un nuovo impianto di climatizzazione estiva/invernale

1 Moto-evaporante esterna

Booster HR 7.8 caldo/freddo

2

Unità interna POWER UNIT H150 CF

3

Valvola di sicurezza

4

Rubinetto di svuotamento

5 Vaso di espansione puffer

HUB RADIATOR POWER UNIT composta da unità interna modello H150 CF, unità esterna Booster HR 7.8

caldo/freddo e kit pompa impianto caldo/freddo utilizzata per alimentare un impianto idronico caldo/freddo per

la climatizzazione estiva ed invernale. Tale tecnologia sfrutta al massimo la sola energia rinnovabile della pompa

di calore grazie al brevetto HUB RADIATOR, riduce drasticamente i tempi di sbrinamento invernali e consente di

evitare il glicole antigelo.

6 Addolcitore

7 Filtro ad “Y”

8 Contatore acquedotto

9 Riduttore di pressione

10 Filtro dissabiatore

11 Defangatore magnetico

12 Condensatore Booster HR 7.8 caldo/freddo

13 Collettore impianto venticonvettori

14 Ingresso rete idrica

15 Valvola jolly di sfiato aria

16 Mandata impianto

17 Ritorno impianto

18 Circolatore elettronico inverter impianto

19 Linea frigorifera R410A

da 1/4” (liquido)

20 Linea frigorifera R410A

da 5/8” (gas)

15

2

10

9

6

19

20

18

1

5

17

3

Esempio di applicazione POWER UNIT per produzione di acqua calda sanitaria

1 Moto-evaporante esterna

Booster HR 3.0 solo caldo

2

Unità interna HUB RADIATOR POWER UNIT H184 C

3

Valvola di sicurezza

4

Rubinetto di svuotamento

5 Vaso di espansione impianto

HUB RADIATOR POWER UNIT composta da unità interna modello H184 C (posizionata a soffitto), unità esterna

Booster HR 3.0 solo caldo e scambiatore ACS in rame alettato utilizzata per produrre acqua calda sanitaria con

la sola energia rinnovabile della pompa di calore grazie al brevetto HUB RADIATOR, eliminando il problema della

legionella.

6 Addolcitore

7 Filtro ad “Y”

8 Contatore acquedotto

9 Riduttore di pressione

10 Filtro dissabiatore

11 Scambiatore ACS in rame alettato

12 Condensatore Booster HR 7.8 solo caldo

13 Rubinetto di reintegro puffer

14 Ingresso rete idrica

15 Valvola jolly di sfiato aria

16 Mandata ACS

17 Mandata acqua fredda sanitaria

18 Linea frigorifera R410A

da 1/4” (liquido)

19 Linea frigorifera R410A

da 3/8” (gas)

20 Kit staffe di ancoraggio per installazione

11

2

20

20

20

20

12

15

3

4

a soffitto

1

18

19

13

16

17

4

11

5

12

76

10

6

9

8

7

14

16

14

13

8

7