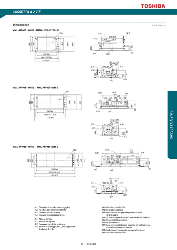
CASSETTA A 2 VIE

Dimensionali

MMU-UP0071WH-E - MMU-UP00151WH-E

Unità di misura: mm

MMU-UP0181WH-E - MMU-UP0301WH-E

(D6)

(D3)

(D4)

815 (A3)

(D3)

312

95.5

480

0

8

0

2

0

8

)

4

)

2

)

1

0

9

6

6

3

A

(

A

(

A

(

5

.

3

1

5

9

2

1

2

5

1

880 (A4)

(D1)

0

2

(D5)

1000~1010 (A2)

1050 (A1)

137.5 147.5

(C1)

(C2)

95

190

185 80 20

(C4)

9

8

3

1

4

2

1

0

1

(C3)

(D6)

(D3)

(A3)

1180

475

(D4)

225 335 110 480

0

4

105

480

0

8

0

2

0

8

)

4

)

2

)

1

0

2

1

5

0

6

6

6

3

A

(

A

(

A

(

0

1

2

1

5

1

5

5

4

ø1

5

2

5

1

3

6 2

1

0

2

1245 (A4)

(D1)

(D5)

1365~1357 (A2)

1415 (A1)

137.5 147.5

E

I

V

2

A

T

E

95 190

(C1)

185 80 20

(C4)

(C2)

2

1

9

2

0

1

4

3

2

S

S

(C3)

(D7)

A

C

MMU-UP0361WH-E - MMU-UP0561WH-E

(D6)

(D3)

(A3)

(D3)

1600

(D4)

275

400

125

480

105

105

320

0

0

0

0

)

4

)

)

5

0

5

0

4

8

6

2

6

8

3

A

(

2

A

(

1

A

(

1

1

0

2

1

6

5

5

.

5

5

ø 16

2

ø 1

62

1

4

6

2

7

1

5

1

5

2

3

1665 (A4)

(D1)

0

2

(D5)

1785~1795 (A2)

1835 (A1)

137.5 147.5

(A1) Dimensioni pannello esterno (griglia)

(A2)

(A3) Dimensioni unità esterna

(A4) Interasse tiranti di sospensione

(C1) Attaccodelgas

(C2) Attaccodelliquido

(C3) Passaggiocavidialimentazione

(C4) Attaccodidrenaggio(Ø32,DN25)pertubo

in cloruro di vinile

2

4

3

1

9

2

2

0

1

(C3)

(D7)

(D1)

(D2) Regolazione cornice

(D3) Foro pretranciato per collegamento canale

di derivazione

(D4) TirantedisospensioneM10(nonfornitodaToshiba)

(D5) Pannelloditamponatura

(D6) Quadroelettrico

(D7) Foropretranciato(sulatoopposto)percollegamento

canale immissione aria esterna

(D8) Sezioneperilmontaggiosensoreadinfrarossi

(D9)

97

TOSHIBA

(C1)

(C2)

95

190

185 80 20

(C4)

(D7)