70 | Compatti

Disegni Tecnici

Disegni tecnici Forni compatti da incasso a microonde Serie 8 (45 cm)

CMG633BS1, CMG633BB1, CMG633BW1

Compatti | 71

INCASSO A COLONNA

INCASSO SOTTOPIANO

PROIEZIONE LATERALE

INCASSO A COLONNA

INCASSO SOTTO PIANO COTTURA

PROIEZIONE LATERALE

19

PROIEZIONE LATERALE

Disegni tecnici Macchine da caffè da incasso Serie 8 (45 cm)

CTL636ES6, CTL636EB6

INCASSO A COLONNA

PROIEZIONE LATERALE

Utilizzando il limitatore di cerniera

per una apertura a 92° (ricambio 00636455),

la distanza minima al muro può essere di solo 100 mm

Dimensioni in mm.

Dimensioni in mm.

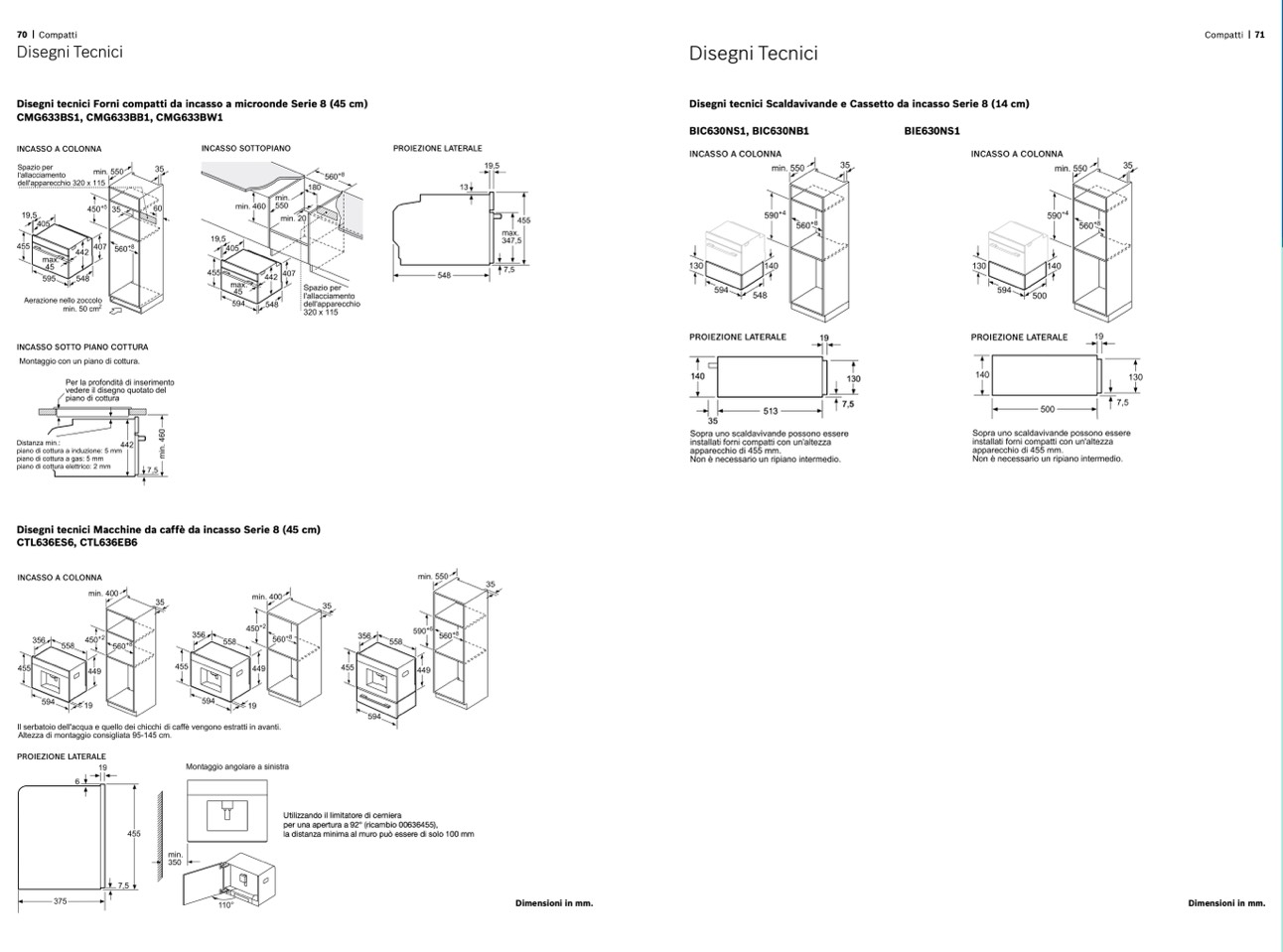
Disegni Tecnici

Disegni tecnici Scaldavivande e Cassetto da incasso Serie 8 (14 cm)

BIC630NS1, BIC630NB1

INCASSO A COLONNA

BIE630NS1

140

35

513

130

7,.5