Schemi degli impianti, Genia Air Legenda degli schemi

Schema dell’impianto 0020180632

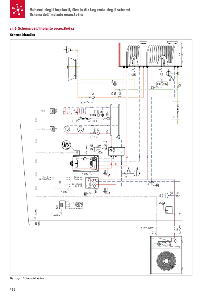
15.6 Schema dell’impianto 0020180632

Schema idraulico

Fig. 275: Schema idraulico

294