Schemi degli impianti, Genia Air Split

Schema dell’impianto 0020232127

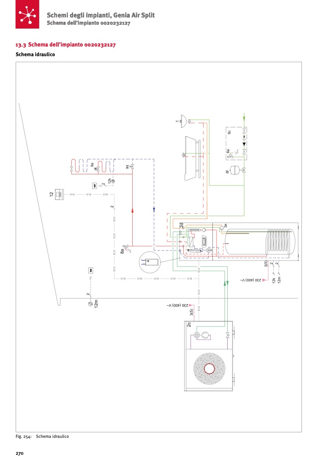
13.3 Schema dell’impianto 0020232127

Schema idraulico

Fig. 254: Schema idraulico

270