IN LINE CENTRIFUGAL PUMPS

DIMENSIONS AND WEIGHT

LPS

50Hz

Rev.P

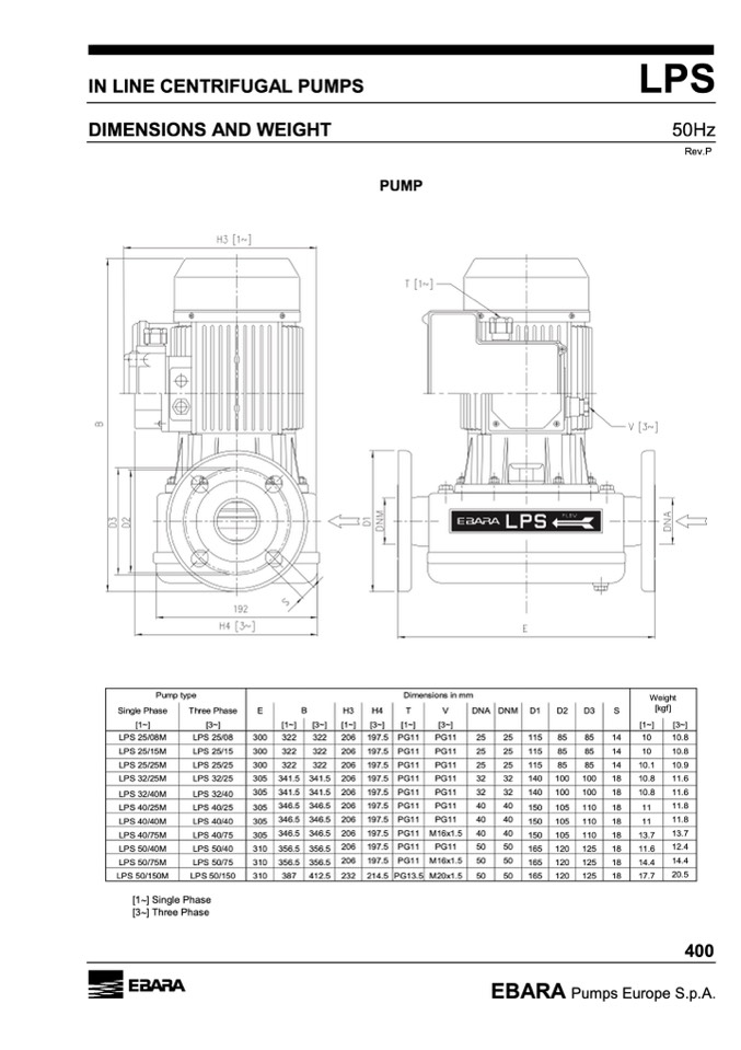
PUMP

Pump type

Single Phase

Three Phase

[1~]

[3~]

Dimensions in mm

E

B

H

3

H

4

T

V

DN

A

DN

M

D

1

D

2

D

3

S

[1~]

[3~]

[1~]

[3~]

[1~]

[3~]

[1~]

[3~]

Weight

[kgf]

LPS 25/08M

LPS 25/08

300

322

322

206

197.5

PG11

PG11

25

25

115

85

85

14

10

10.8

LPS 25/15M

LPS 25/15

300

322

322

206

197.5

PG11

PG11

25

25

115

85

85

14

10

10.8

LPS 25/25M

LPS 25/25

300

322

322

206

197.5

PG11

PG11

25

25

115

85

85

14

10.1

10.9

LPS 32/25M

LPS 32/25

305

341.5 341.5

206

197.5

PG11

PG11

32

32

140

100

100

18

10.8

11.6

LPS 32/40M

LPS 32/40

305

341.5 341.5

206

197.5

PG11

PG11

32

32

140

100

100

18

10.8

11.6

LPS 40/25M

LPS 40/25

305

346.5 346.5

206

197.5

PG11

PG11

40

40

150

105

110

18

11

11.8

LPS 40/40M

LPS 40/40

305

346.5 346.5

206

197.5

PG11

PG11

40

40

150

105

110

18

11

11.8

LPS 40/75M

LPS 40/75

305

346.5 346.5

206

197.5

PG11

M16x1.5

40

40

150

105

110

18

13.7

13.7

LPS 50/40M

LPS 50/40

310

356.5 356.5

206

197.5

PG11

PG11

50

50

165

120

125

18

11.6

12.4

LPS 50/75M

LPS 50/75

310

356.5 356.5

206

197.5

PG11

M16x1.5

50

50

165

120

125

18

14.4

14.4

LPS 50/150M

LPS 50/150

310

387

412.5

232

214.5

PG13.5

M20x1.5

50

50

165

120

125

18

17.7

20.5

[1] Single Phase

[3] Three Phase

400

EBARA Pumps Europe S.p.A.