SCHEMI D’INSTALLAZIONE

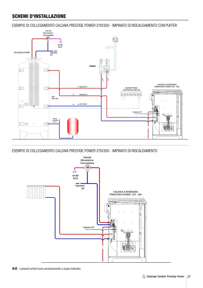
ESEMPIO DI COLLEGAMENTO CALDAIA PRESTIGE POWER 270/350 - IMPIANTO DI RISCALDAMENTO CON PUFFER

ESEMPIO DI COLLEGAMENTO CALDAIA PRESTIGE POWER 270/350 - IMPIANTO DI RISCALDAMENTO

N.B. I presenti schemi sono esclusivamente a scopo indicativo

Catalogo Caldaie Prestige Power 37