SCHEMA

SCHEME

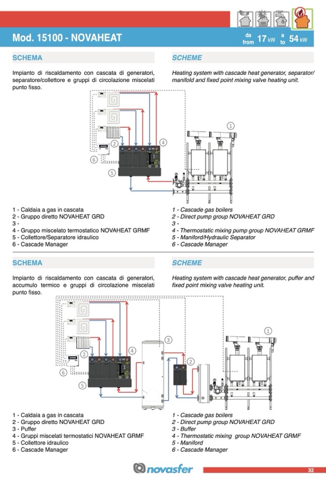
Impianto di riscaldamento con cascata di generatori,

punto fisso.

separatore/collettore e gruppi di circolazione miscelati

Schema idraulico modulo «NOVAHEAT GR

schema 1

Heating system with cascade heat generator, separator/

manifold and fixed point mixing valve heating unit.

1

2

6

5

4

1 - Caldaia a gas in cascata

1 - Cascade gas boilers

2 - Gruppo diretto NOVAHEAT GRD

1. Caldaia a gas in cascata

1

2. Gruppo diretto NOVAHEAT GRD

2

3. .

3

3-

4. Gruppo miscelato termostatico NOVAHEAT GRMF

4

5. Collettore/Separatore idraulico

5

4 - Gruppo miscelat

6

o

.

t

C

e

as

r

ca

m

de

o

Ma

s

na

t

g

a

er

tico NOVAHEAT GRMF

6

5 - Collettore/Separatore idraulico

6 - Cascade Manager

as boilers

p group NOVAHEAT GRD

2 - Direct pump group NOVAHEAT GRD

3

ticm

-

ixingpumpgroupNOVAHEATGRMF

Hydraulic Separator

4

ana

-

ge

T

r

hermostaticmixingpumpgroupNOVAHEATGRMF

5 - Maniford/Hydraulic Separator

6 - Cascade Manager

SCHEMA

SCHEME

Impianto di riscaldamento con cascata di generatori,

Schema idraulico modulo «NOVAHEAT GR

accumulo termico e gruppi di circolazione miscelati

punto fisso.

schema 2

Heating system with cascade heat generator, puffer and

fixed point mixing valve heating unit.

1

2

6

5

3

4

2

1 - Caldaia a gas in cascata

1 - Cascade gas boilers

4 - Thermostatic mixing group NOVAHEAT GRMF

5 - Maniford

6 - Cascade Manager

as boilers

2 - Gruppo diretto NOVAHEAT GRD

1. Caldaia a gas in cascata

1

2. Gruppo diretto NOVAHEAT GRD

2

3. Puffer

3

4. Gruppi miscelati termostatici NOVAHEAT GRMF

4

3 - Puffer

5. Collettore idraulico

5

6. Cascade Manager

6

4 - Gruppi miscelati termostatici NOVAHEAT GRMF

5 - Collettore idraulico

6 - Cascade Manager

p group NOVAHEAT GRD

2 - Direct pump group NOVAHEAT GRD

tic mixing pump group NOVAHEAT GRMF

3 - Buffer

anager

32

Mod. 15100 - NOVAHEAT

da

17

kW

a

from

17

kWto

47

kW

from

to

MF»

. Cascade g

. Direct pum

..

. Thermosta

. Manifold /

. Cascade M

MF»

da

a

54

kW

. Cascade g

. Direct pum

. Puffer

. Thermosta

. Manifold

. Cascade M