Ottimizzazione del COP dei sistemi a CO2
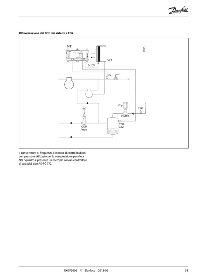
Il convertitore di frequenza è idoneo al controllo di un
compressore utilizzato per la compressione parallela.
Nel riquadro è presente un esempio con un controllore
di capacità tipo AK-PC 772.
RK0YG606 © Danfoss 2015-06
55