SCHEMI FUNZIONALI - CASCATA

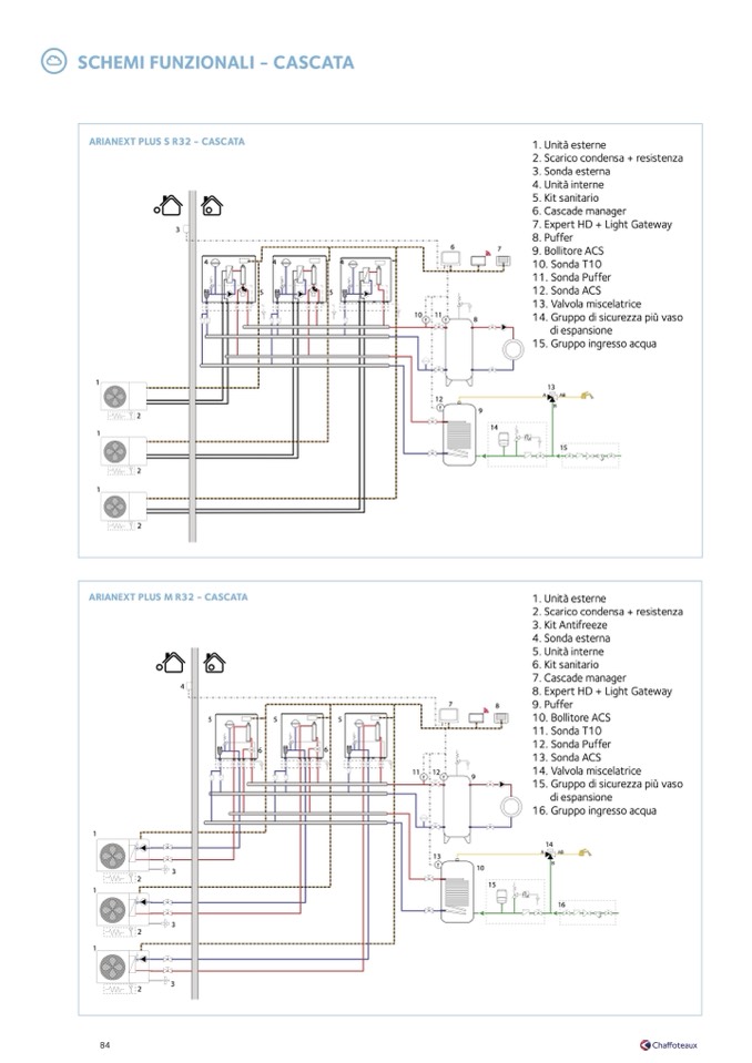
ARIANEXT PLUS S R32 - CASCATA

1. Unità esterne

2. Scarico condensa + resistenza

3. Sonda esterna

4. Unità interne

5. Kit sanitario

6. Cascade manager

7. Expert HD + Light Gateway

8. Puffer

9. Bollitore ACS

10. Sonda T10

11. Sonda Puffer

12. Sonda ACS

13. Valvola miscelatrice

14. Gruppo di sicurezza più vaso

di espansione

15. Gruppo ingresso acqua

13

A

AB

B

15

3

4

4

4

5

5

6

12

T

7

9

10

T

11

T

8

1

2

1

2

1

2

14

ARIANEXT PLUS M R32 - CASCATA

1. Unità esterne

2. Scarico condensa + resistenza

3. Kit Antifreeze

4. Sonda esterna

5. Unità interne

6. Kit sanitario

7. Cascade manager

8. Expert HD + Light Gateway

9. Puffer

10. Bollitore ACS

11. Sonda T10

12. Sonda Puffer

13. Sonda ACS

14. Valvola miscelatrice

15. Gruppo di sicurezza più vaso

di espansione

16. Gruppo ingresso acqua

14

A

AB

B

16

4

7

8

5

5

6

6

5

11

T

12

T

13

T

9

1

1

1

3

2

3

2

10

15

2

3

84