SCHEMI FUNZIONALI - CASCATA

Il presente documento, lo strumento di selezione dei sistemi ibridi commerciali e i risparmi energetici sono riportati solo a titolo esemplificativo. L’azienda non fornisce alcuna

dichiarazione o garanzia e non si assume alcuna responsabilit

à e declina qualsiasi garanzia relativa all’idoneità dell’ibrido commerciale qui descritto per l’applicazione finale.

143

S

i

s

t

e

m

i

i

b

r

i

d

i

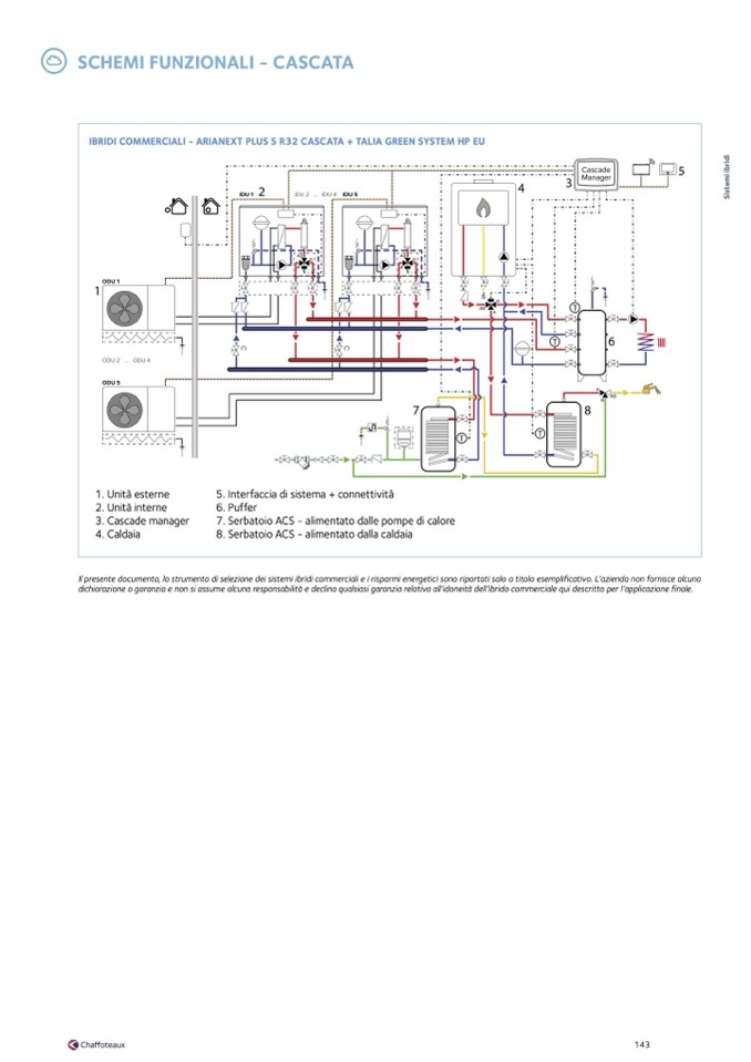
IBRIDI COMMERCIALI - ARIANEXT PLUS S R32 CASCATA + TALIA GREEN SYSTEM HP EU

1. Unit

à esterne

2. Unit

à interne

3. Cascade manager

4. Caldaia

5. Interfaccia di sistema + connettivit

6. Puffer

7. Serbatoio ACS - alimentato dalle pompe di calore

8. Serbatoio ACS - alimentato dalla caldaia