SCHEMI DI FUNZIONAMENTO

SISTEMA PROCIDA HYBRID CH CON UN GENERATORE A CONDENSAZIONE ITACA CH KR E UNA POMPA DI CALORE PROCIDA AWM

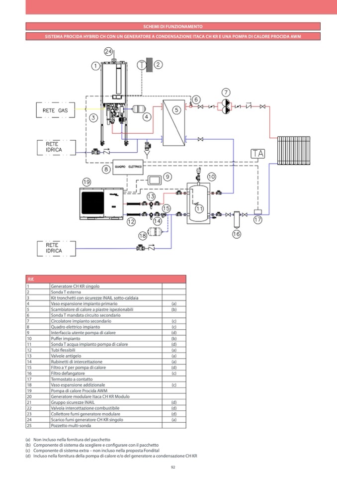
Rif.

1

Generatore CH KR singolo

2

Sonda T esterna

3

Kit tronchetti con sicurezze INAIL sotto-caldaia

4

Vaso espansione impianto primario

(a)

5

Scambiatore di calore a piastre ispezionabili

(b)

6

Sonda T mandata circuito secondario

7

Circolatore impianto secondario

(c)

8

Quadro elettrico impianto

(c)

9

Interfaccia utente pompa di calore

(d)

10

Pu

ffer impianto

(b)

11

Sonda T acqua impianto pompa di calore

(d)

12

Tubi

flessibili

(a)

13

Valvole antigelo

(a)

14

Rubinetti di intercettazione

(a)

15

Filtro a Y per pompa di calore

(d)

16

Filtro defangatore

(c)

17

Termostato a contatto

18

Vaso espansione addizionale

(c)

19

Pompa di calore Procida AWM

20

Generatore modulare Itaca CH KR Modulo

21

Gruppo sicurezze INAIL

(d)

22

Valvola intercettazione combustibile

(d)

23

Collettore fumi generatore modulare

(d)

24

Scarico fumi generatore CH KR singolo

(a)

25

Pozzetto multi-sonda

(a) Non incluso nella fornitura del pacchetto

(b) Componente di sistema da scegliere e con

figurare con il pacchetto

(c) Componente di sistema extra – non incluso nella proposta Fondital

(d) Incluso nella fornitura della pompa di calore e/o del generatore a condensazione CH KR

92