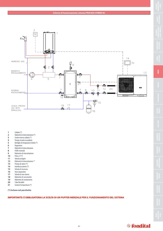
1

Caldaia (*)

2

Rubinetti di intercettazione (*)

3

Sonda esterna caldaia (*)

4

Pompa circuito secondario

5

Bottiglia di integrazione ibrido (*)

6

Degasatore

7

Rubinetti di intercettazione

8

Puffer inerziale

9

Rubinetto di intercettazione

10

Filtro a Y (*)

11

Valvola antigelo

12

Rubinetti di intercettazione 1”

13

Pompa di calore (*)

14

Interfaccia utente (*)

15

Valvola di sicurezza

16

Vaso espansione

17

Valvola di non ritorno

18

Rubinetto di caricamento

19

Rubinetto di svuotamento

20

Tubo flessibile

21

Sonda di temperatura (*)

(*) Incluso nel pacchetto

Schema di funzionamento sistema PROCIDA HYBRID KC

E

N

A

E

I

O

I

Z

A

W

k

A

D

L

S

N

E

5

3

A

C

D

N

O

<

C

I

L

A

E

I

A

D

N

O

I

Z

L

A

C

I

D

A

R

T

E

N

I

L

U

A

E

I

O

I

Z

A

D

O

A

D

S

N

M

-

L

A

C

E

D

N

W

k

5

O

C

3

>

E

A

I

I

R

R

E

T

O

S

S

I

M

E

C

U

F

A

E

P

E

R

O

L

M

O

P

A

C

I

D

I

D

I

R

B

I

L

I

O

C

N

A

F

A

U

Q

C

A

D

L

A

C

S

E

R

O

C

I

A

L

O

M

R

E

S

T

I

R

O

T

I

L

O

B

I

R

I

S

U

O

T

A

I

F

O

S

D

A

S

E

R

R

P

I

R

O

T

I

S

U

A

I

D

R

T

S

A

R

E

I

R

O

N

G

O

T

A

I

A

B

O

D

A

R

D

E

R

A

I

R

O

T

A

N

G

I

I

D

S

E

A

R

D

I

R

O

I

R

O

S

E

T

A

I

D

C

A

A

R

I

R

O

I

C

I

T

A

I

R

T

D

A

R

E

L

E

E

V

I

E

F

UT

E

S

A

G

T

S

V

N

O

A

C

IMPORTANTE: È OBBLIGATORIA LA SCELTA DI UN PUFFER INERZIALE PER IL FUNZIONAMENTO DEL SISTEMA

67