8

HYDRO BT L2

73

9

10

11

Tus

Tip

r

BOLLITORI, SERBATOI E CELLE TERMICHE 2023

www.dynergysrl.it

POMPA DI CALORE

Tip

Tis = 10° C

RESISTENZA

ELETTRICA

1

3

2

6

4

5

7

RETE

IDRICA

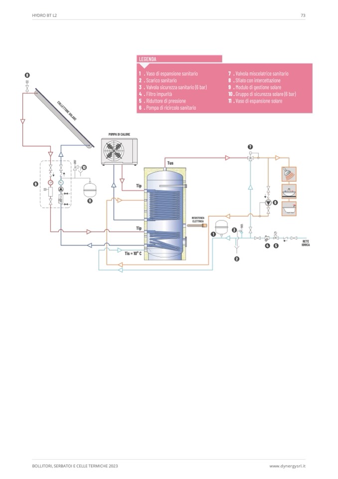
LEGENDA

1 . Vaso di espansione sanitario

2 . Scarico sanitario

3 . Valvola sicurezza sanitario (6 bar)

4 . Filtro impurit

5 . Riduttore di pressione

6 . Pompa di ricircolo sanitario

7 . Valvola miscelatrice sanitario

8 . Sfiato con intercettazione

9 . Modulo di gestione solare

10 . Gruppo di sicurezza solare (6 bar)

11 . Vaso di espansione solare

C

O

L

L

E

T

T

O

R

E

S

O

L

A

R

E