31

TACOTHERM DUAL/FRESH PIKO SMART HYBRID

Tecnologia per sistemi | taconova.com

131

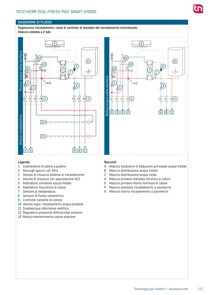
DIAGRAMMA DI FLUSSO

Regolazione riscaldamento: relais di controllo di mandata del riscaldamento centralizzato

Allaccio sistema a 2 tubi

L

égende

Raccordi

1 Scambiatore di calore a piastre

2 Raccogli sporco con

filtro

3 Valvola di chiusura sistema di riscaldamento

4 Valvola di chiusura con approvazione ACS

5 Adattatore contatore acqua fredda

6 Adattatore misuratore di calore

7 Sensore di temperatura

8 Sensore di flusso volumetrico

9 Controller satellite di utenza

10 Valvola regol. riscaldamento acqua potabile

11 Scaldaacqua istantaneo elettrico

12 Regolatore pressione differenziale primario

13 Modulo mantenimento calore stazione

65

358.3

65 65

165.5

A Allaccio tubazione di adduzione principale acqua fredda

B Allaccio distribuzione acqua fredda

C Allaccio distribuzione acqua calda

D Allaccio primario mandata fornitura di calore

E Allaccio primario ritorno fornitura di calore

F Allaccio mandata riscaldamento a pavimento

G Allaccio ritorno riscaldamento a pavimento

M

o

d

u

l

o

a

c

q

u

a

c

a

l

d

a

s

a

n

i

t

a

r

i

a

10

13

12

8

7

6

5

2

784

3

750

4

9

11

1

4

5

M

o

d

u

l

o

r

i

s

c

a

l

d

a

m

e

n

t

o

(

1

8

7

)

G

F

E

D

A

B

C

M

o

d

u

l

o

a

c

q

u

a

c

a

l

d

a

s

a

n

i

t

a

r

i

a

9

10

13

12

8

7

5

2

6

3

4

110

E

D

G

F

A

B

C

11

1

2

2

3

+

9

0

1

0

8

3

1

3

5

0

+

9

0

T

e

c

n

o

l

o

g

i

a

p

e

r

s

i

s

t

e

m

i

2

0

.

1

1

3

7

0

.

1

+

9

0