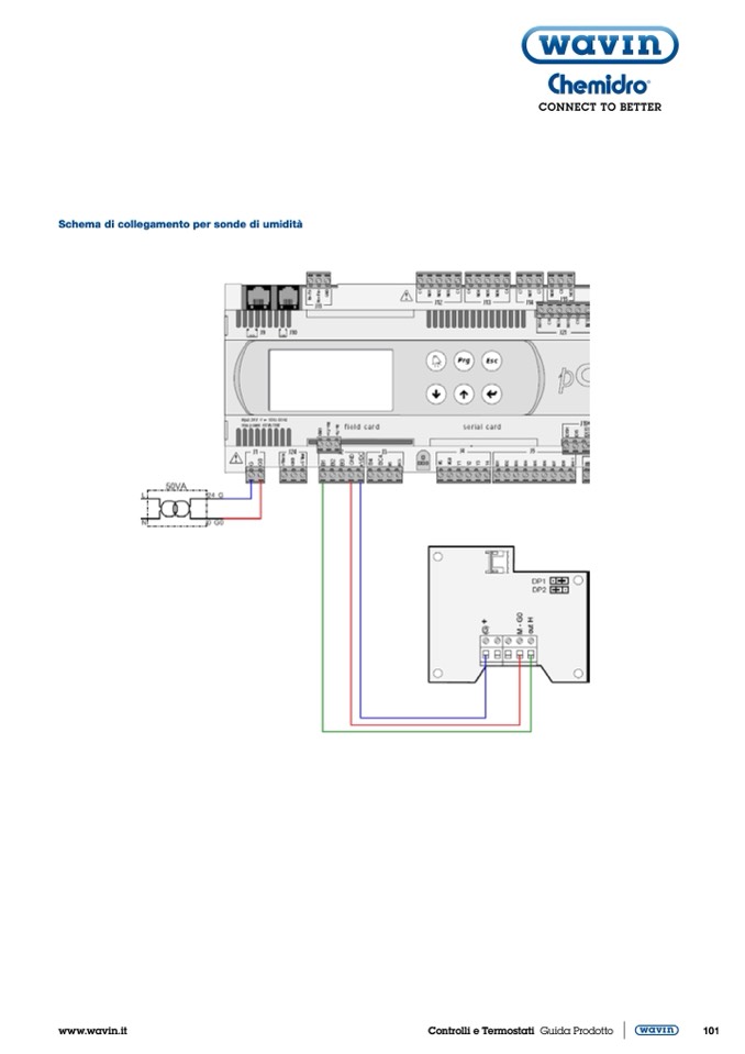
Schema di collegamento per sonde di umidità

www.wavin.it

Controlli e Termostati Guida Prodotto

101