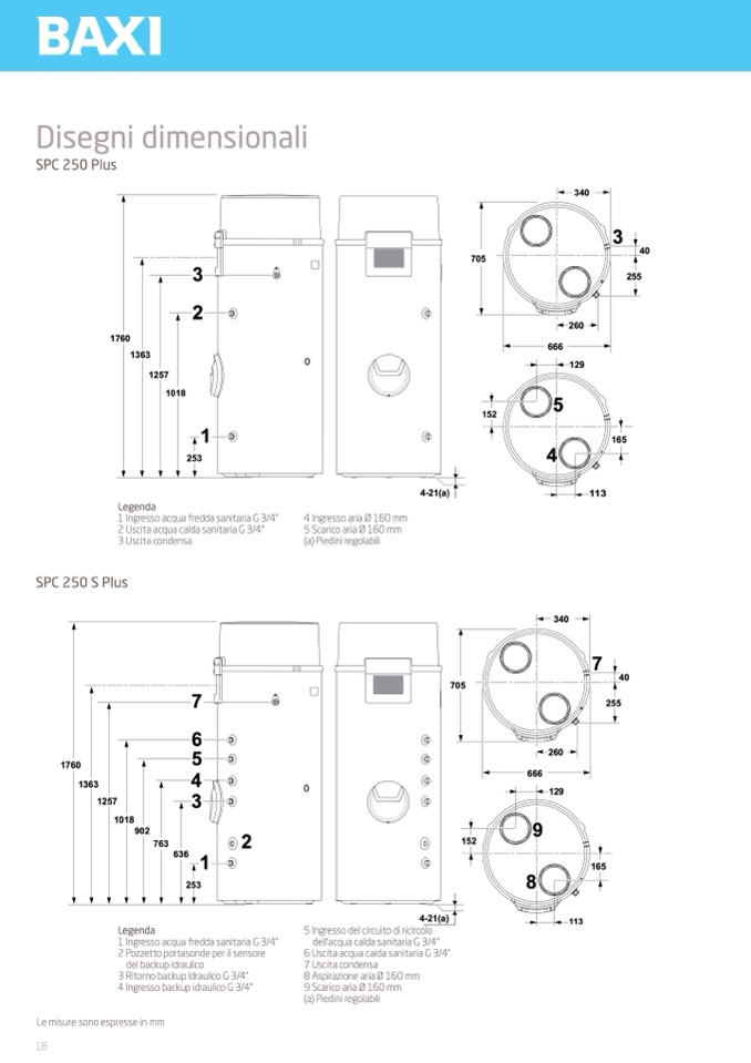
Disegni dimensionali

SPC 250 Plus

3

2

1018

1

253

705

340

3

40

255

260

666

129

5

4

340

340

7

7

1760

1363

1257

152

165

4-21(a)

113

SPC 250 S Plus

Legenda

1 Ingresso acqua fredda sanitaria G 3/4"

2 Uscita acqua calda sanitaria G 3/4"

3 Uscita condensa

4 Ingresso aria Ø 160 mm

5 Scarico aria Ø 160 mm

(a) Piedini regolabili

705

152

152

4-21(a)

40

122

255

7

7

66

705

40

255

55

260

666

1528

1760

1134

4

3

260

129

9

1363

1028

4

1257

789

3

2

2

666

9

8

129

113

113

1018

769

902

Legenda

639

670

1

763

636

1

253

254

165

165

8

1 Ingresso acqua fredda sanitaria G 3/4"

2 Pozzetto portasonde per il sensore

del backup idraulico

3 Ritorno backup idraulico G 3/4"

4 Ingresso backup idraulico G 3/4"

Le misure sono espresse in mm

5 Ingresso del circuito di ricircolo

dell'acqua calda sanitaria G 3/4”

6 Uscita acqua calda sanitaria G 3/4"

7 Uscita condensa

8 Aspirazione aria Ø 160 mm

9 Scarico aria Ø 160 mm

(a) Piedini regolabili

18

4-21(a)