SCAMBIO TERMICO

SCAMBIO TERMICO

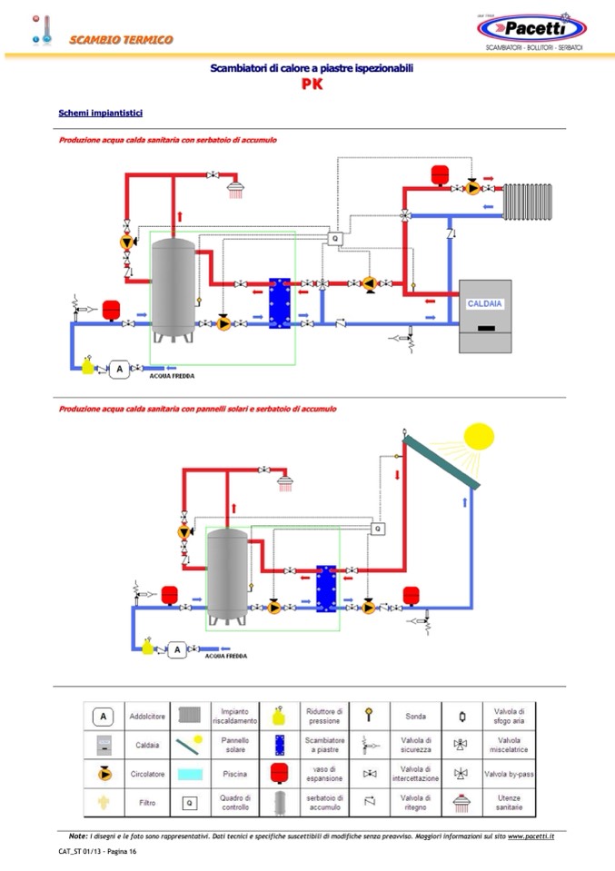
Schemi impiantistici

Scambiatori di calore a piastre ispezionabili

PK

PK

Produzione acqua calda sanitaria con serbatoio di accumulo

Produzione acqua calda sanitaria con pannelli solari e serbatoio di accumulo

Note: I disegni e le foto sono rappresentativi. Dati tecnici e specifiche suscettibili di modifiche senza preavviso. Maggiori informazioni sul sito www.pacetti.it

CAT_ST 01/13 - Pagina 16