TECEflex – Disegni tecnici

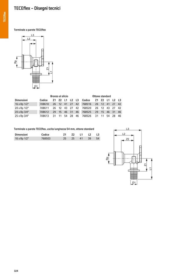
Terminale a parete TECEflex

L3

L2

D1

Bronzo al silicio

Ottone standard

Z1Z

2

L

1

L

2

L3

2612412742

2612432742

2915463146

3111542846

Dimensioni

16 x Rp 1/2"

20 x Rp 1/2"

20 x Rp 3/4"

25 x Rp 3/4"

Codice

Z1

708610 26

708611 26

708612 29

708613 31

Z

2

L

1

L

2

L3 Codice

12412742

768516

12432742 768520

15463146

768525

11542846 768526

Terminale a parete TECEflex, uscita lunghezza 54 mm, ottone standard

L3

L2

Z2

Dimensioni

16 x Rp 1/2"

Codice

Z1

Z2

768503

25

25

L1

L2

41

39

L3

54

324

D1

Z

1

L

1

R

p

Z

1

L

1

R

p

T

E

C

E

f

l

e

x