38
Sistemi ibridi
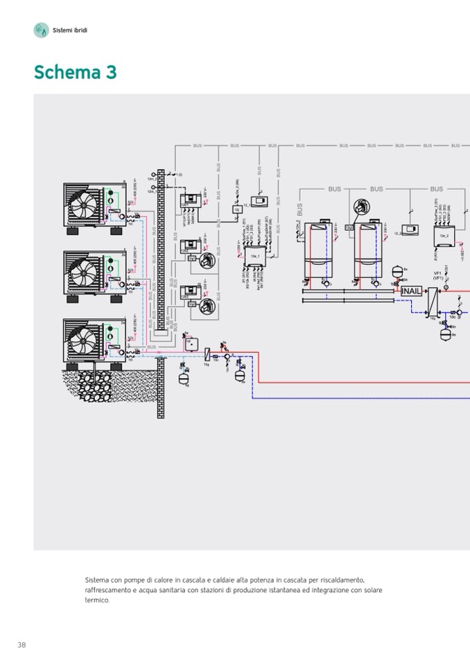
Sistema con pompe di calore in cascata e caldaie alta potenza in cascata per riscaldamento,
raffrescamento e acqua sanitaria con stazioni di produzione istantanea ed integrazione con solare
termico.
III
10c
10i
II
2
10i
5(3)
2
10c
q
3
1 (I)
12m_2
3
BUS
BUS
2
12j
2
5(3)
8e
10c
I
10i
8a
5
8a
5
9h
BUS
8a
3i
3
8e
q
12b1
12_1
12b2
12g1
2
3
12e_1
2
3
3
10c 3f
12b3
8a
10f
9j 9h
8g
10g
BUS
BUS
BUS
BUS
BUS
BUS
BUS
BUS
BUS
BUS
2
2
12e_2
VF1
(VF1) 2
q
9j
9h
8e
12m_1
5(3
)
3
2
2
I
II
3
III
2
3
12g2
3
INAIL
10g
9j 9h
10c
12g3
3
2
12_2
3
3
3
3
9j
M
2a
1
1
M
2a
2
3
0
V
~
2
3
2
M
2a
1
2
b
1
B
U
S
B
U
S
B
U
S
1
2
e
_
2
(
S
6
)
B
U
S
B
U
S
4
0
0
(
2
3
0
)
V
~
B
U
S
B
U
S
B
U
S
B
U
S
B
U
S
B
U
S
2
3
0
V
~
3
f
1
(
R
1
)
3
f
2
/
1
2
k
(
R
2
)
9
f
(
R
4
)
9
e
1
,
9
e
2
(
R
6
)
9
k
1
(
R
9
/
1
0
)
4
0
0
(
2
3
0
)
V
~
B
U
S
B
U
S
B
U
S
4
0
0
(
2
3
0
)
V
~
2
3
0
V
~
B
U
S
B
U
S
B
U
S
B
U
S
2
3
0
V
~
B
U
S
1
1
2
b
1
3
f
(
R
1
)
S
y
s
F
l
o
w
_
2
(
S
1
)
F
S
1
_
2
(
S
2
)
F
S
2
_
2
(
S
3
)
D
E
M
1
(
S
6
)
V
F
1
(
V
F
1
)
9
e
(
U
V
1
)
3
i
(
M
A
1
)
2
3
0
V
~
S
y
s
F
l
o
w
_
1
(
S
1
)
F
S
1
_
1
(
S
2
)
F
S
1
_
2
(
S
3
)
B
u
f
T
o
p
C
H
(
S
5
)
B
u
f
T
o
p
D
H
W
(
S
7
)
B
u
f
B
t
D
H
W
(
S
8
)
B
U
S
B
U
S
1
2
m
_
2
B
U
S
2
3
0
V
~
2
3
0
V
~