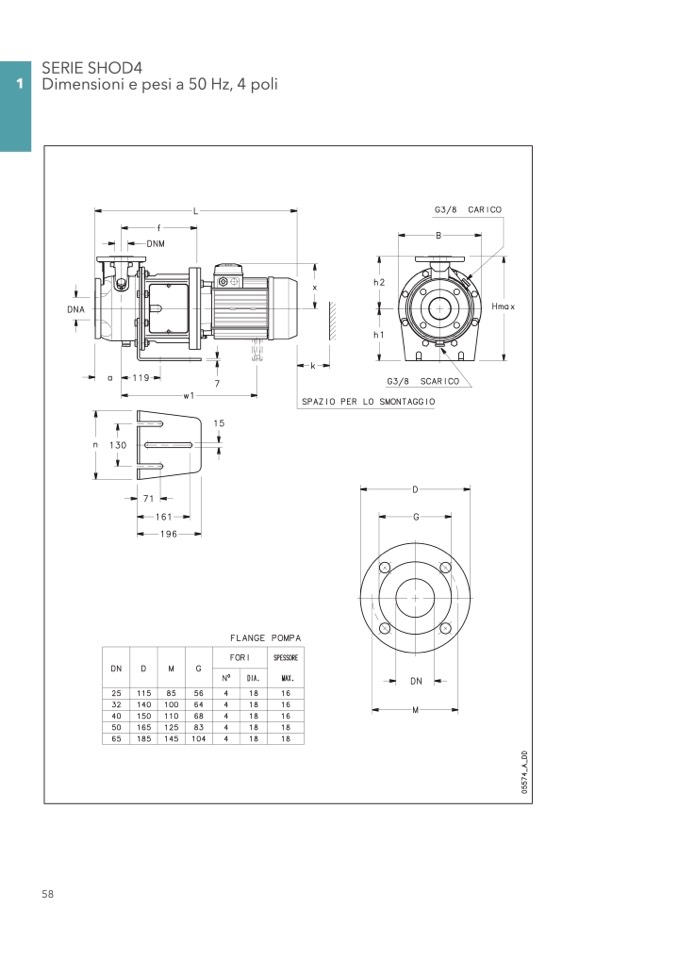
SERIE SHOD4

1 Dimensioni e pesi a 50 Hz, 4 poli

58