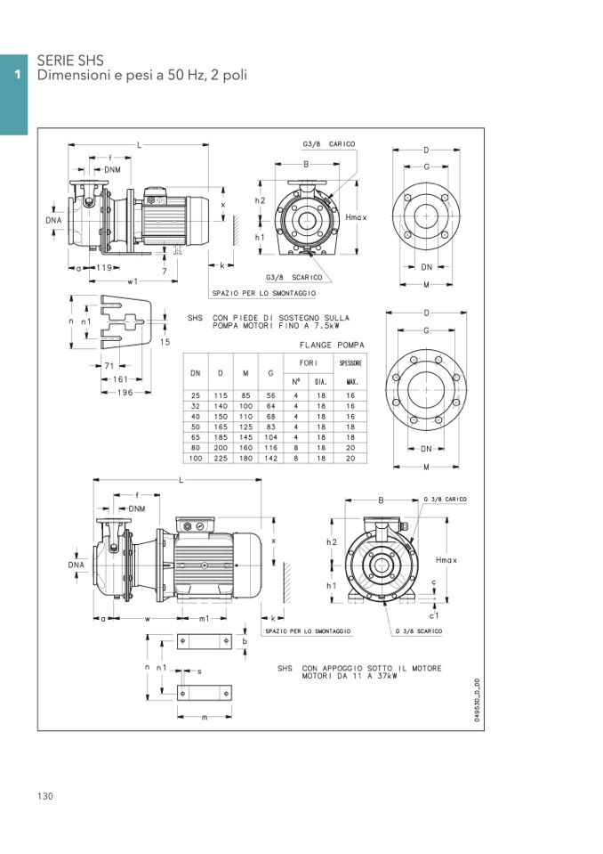
SERIE SHS

1 Dimensioni e pesi a 50 Hz, 2 poli

130