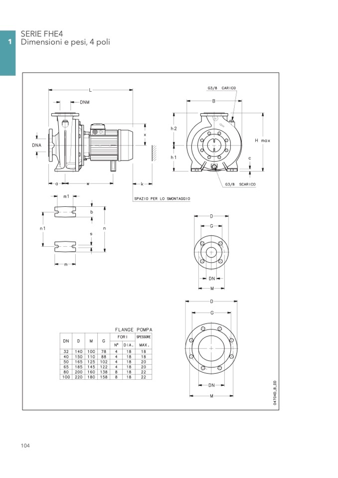
SERIE FHE4

1 Dimensioni e pesi, 4 poli

104